
Bench drill rig
Description
Drill jumbo - precise, efficient, automated
Thanks to computer-controlled drilling depth monitoring, the drill rig ensures particularly precise and effective blasting results - with minimal labour requirements. The integrated electronic parallel guidance reduces the number of drill holes required, saves on explosives and significantly increases blasting efficiency.
Easy-to-create drilling programmes guarantee high repeat accuracy and make day-to-day work easier. The high degree of automation not only makes drilling operations much easier, but also opens up a wider range of applications for the operator.

- Rotary drilling / Hammer rotary drilling
- Electric / Diesel
- Radio remote control
- Semi-automatic
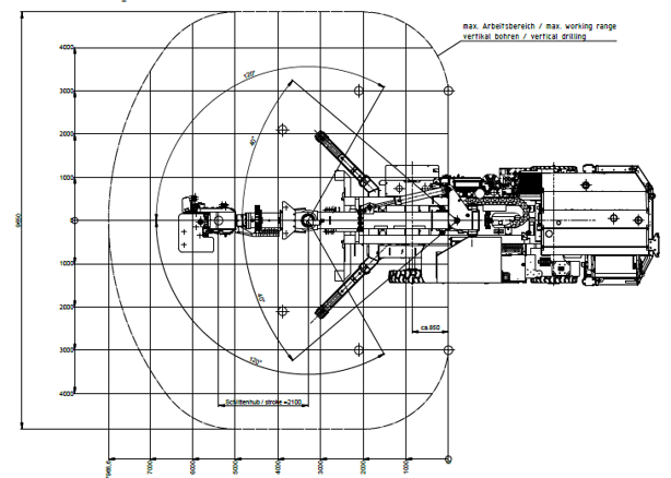
- Unrivalled working range
General Technical Data
| Height above machine assemblies | mm | 1700 - 2400 |
| Length over all in transport position | mm | 11900 |
| Overall width in transport position (driver's platform left longitudinal) | mm | 2855 |
| Curve radius, outside / inside | mm | < 8.260 / < 3.570 |
| Max. driving speed on the level | km/h | 18 |
| Max. driving speed with max. incline of 28% | km/h | approx. 4 |
| Climbing ability | % | 30 / 15 |
| Unladen weight | kg | 18.000 |
Technical Data Chassis / Drive System
| Drive motor | ||
| Fuel type | - | diesel |
| Manufacturer | - | Deutz / CAT |
| Type | - | TCD 3.6 / C4.4 |
| Exhaust stage | - | Stage 5 |
| Powershift transmission | ||
| Manufacturer | - | Dana - Spicer |
| Front axle | ||
| Manufacturer | - | Kessler |
| type | - | Drum or disc brake |
Drilling Arm
| Useful bore length max. | mm | 60000 |
| Performance data of the drill drive | ||
| Drill motor speed / rotation speed of the drill rod | min-1 | 0-1200 |
| Direction of rotation | right / left | |
| Drill hole diameter | mm | 34 - 60 |
| Drive drilling type | Percussive rotary drilling / rotary drilling | |
| Drill drive type | Hydraulic |


