
Strossenbohrwagen
Beschreibung
Strossenbohrwagen – präzise, effizient, automatisiert
Der Strossenbohrwagen sorgt dank einer computergesteuerten Bohrtiefenüberwachung für besonders präzise und effektive Sprengergebnisse – bei minimalem Personalaufwand. Die integrierte elektronische Parallelführung reduziert die Anzahl der notwendigen Bohrlöcher, spart Sprengstoff ein und steigert die Sprengeffizienz erheblich.
Einfach zu erstellende Bohrprogramme garantieren eine hohe Wiederholgenauigkeit und erleichtern die Arbeit im täglichen Einsatz. Durch den hohen Automatisierungsgrad laufen Bohrvorgänge nicht nur deutlich einfacher ab, sondern eröffnen dem Bediener zugleich erweiterte Einsatzmöglichkeiten.

- Drehbohren / Hammer drehbohren
- Elektrisch / Diesel
- Funkferngesteuert
- Halbautomatik
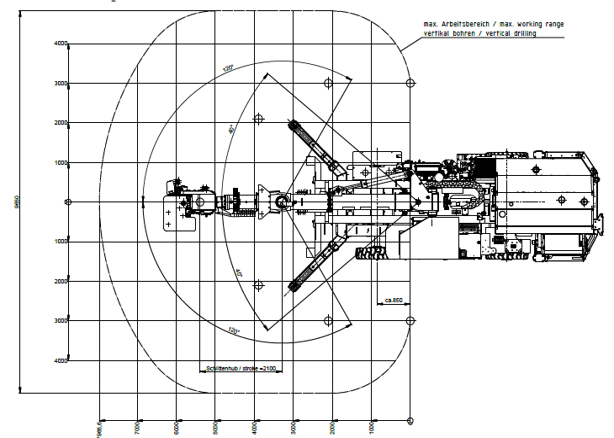
- Unvergleichbarer Arbeitsbereich
Allgemeine Technische Daten
| Höhe über Baugruppen der Maschine | mm | 1700 - 2400 |
| Länge über alles in Transportstellung | mm | 11900 |
| Breite über alles in der Transportstellung (Fahrerstand links längs) | mm | 2855 |
| Kurvenradius, außen / innen | mm | < 8.260 / < 3.570 |
| max. Fahrgeschwindigkeit auf der Ebene | km/h | 18 |
| max. Fahrgeschwindigkeit bei max. Steigung von 28% | km/h | ca. 4 |
| Steigfähigkeit | % | 30 / 15 |
| Leergewicht | kg | 18.000 |
Technische Daten Fahrgestell / Fahrantrieb
| Antriebsmotor | ||
| Kraftstoffart | - | Diesel |
| Hersteller | - | Deutz / CAT |
| Type | - | TCD 3.6 / C4.4 |
| Abgasstufe | - | Stufe 5 |
| Lastschaltgetriebe | ||
| Hersteller | - | Dana - Spicer |
| Vorderachse | ||
| Hersteller | - | Kessler |
| Type | - | Trommel- oder Scheibenbremse |
Bohrarm
| Nutzbohrlänge max. | mm | 60000 |
| Leistungsdaten des Bohrantriebs | ||
| Bohrmotordrehzahl / Drehzahl der Bohrstange | min-1 | 0-1200 |
| Drehrichtung | rechts / links | |
| Bohrlochdurchmesser | mm | 34 - 60 |
| Antriebsbohrart | Schlagend drehbohren / drehbohren | |
| Bohrantriebsart | Hydraulisch |


